|
|
|
当前位置:首页 > 产品展示产品展示
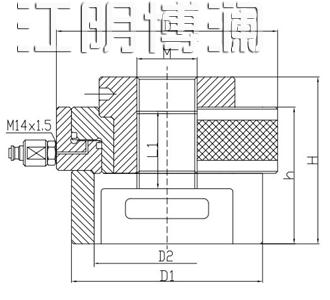
分体式螺栓拉伸器通用性强,通过更换拉伸头可适用于多个规格螺栓的拉伸。经济高效、重量轻、精度高。最大工作压力150Mpa.

|
型号 |
螺栓规格 |
油缸截面积 Amm
|
最大拉伸力kN |
Dmm |
D1mm |
D2mm |
hmm |
Hmm |
L1mm |
相邻螺栓中心最小间距mm |
|
BAR48 |
M48×4 |
10260 |
1100 |
205 |
150 |
120 |
145 |
180 |
70 |
130 |
|
BAR52 |
M52×4 |
10260 |
1100 |
205 |
150 |
120 |
145 |
180 |
70 |
135 |
|
BAR56 |
M56×4 |
10260 |
1100 |
205 |
150 |
120 |
145 |
180 |
70 |
135 |
|
BAR64 |
M64×4 |
10260 |
1100 |
205 |
150 |
120 |
145 |
180 |
70 |
140 |
|
BAR72 |
M72×4 |
16663 |
1800 |
260 |
195 |
160 |
170 |
205 |
90 |
170 |
|
BAR80 |
M80×4 |
16663 |
1800 |
260 |
195 |
160 |
170 |
205 |
90 |
175 |
|
BAR85 |
M85×4 |
16663 |
1800 |
260 |
195 |
160 |
170 |
205 |
90 |
175 |
|
BAR90 |
M90×4 |
16663 |
1800 |
260 |
195 |
160 |
170 |
205 |
90 |
180 |
|
BAR100 |
M100×4 |
14138 |
1300 |
260 |
205 |
170 |
190 |
225 |
110 |
185 |
|
BAR105 |
M105×4 |
14138 |
1300 |
260 |
205 |
170 |
190 |
225 |
110 |
185 |
|
BAR110 |
M110×4 |
14138 |
1300 |
260 |
205 |
170 |
190 |
225 |
110 |
190 |
|
BAR115 |
M115×4 |
16286 |
1500 |
295 |
235 |
200 |
205 |
240 |
120 |
210 |
|
BAR120 |
M120×4 |
16286 |
1500 |
295 |
235 |
200 |
205 |
240 |
120 |
210 |
|
BAR125 |
M125×4 |
16286 |
1500 |
295 |
235 |
200 |
205 |
240 |
120 |
215 |
|
BAR130 |
M130×4 |
18457 |
1700 |
320 |
260 |
225 |
220 |
255 |
130 |
230 |
|
BAR140 |
M140×4 |
18457 |
1700 |
320 |
260 |
225 |
220 |
255 |
130 |
240 |
另:公司提供化工 HG/21573-95、机械JB/T 6390-2007等行业标准,热切期待详情与BRILLIANT-ACTUANT公司工程师联系。
相关图片:
|